欢迎访问,深圳市鸿发顺达壳体有限公司官方网站!

官方微博官方微信鸿发顺达官方微信在线留言

深圳市鸿发顺达壳体有限公司

鸿发顺达

全国咨询服务热线::0755-82579948​

铝型材外壳

您是都在搜: 铝型材外壳

按型号搜索:

搜索说明:请输入尺寸范围,如长度在20~30mm之间,只能输入整数数字。

按分类搜索:
选择分类
  • 铝型材外壳
  • 铝制机箱(经济型)
  • 铝制机箱(豪侈型)
  • 塑胶面框钣金铝制机箱
  • 压铸铝信号放大器外壳
  • 压铸铝铝防水盒外壳
  • 钣金机箱
  • CNC机加工铝铣件产品
  • 塑胶防水盒
  • 塑胶台式仪表机箱
  • 塑胶台式外壳
  • 门禁、读卡外壳
  • 网络外壳
  • 手持、便携式外壳
  • 各种通用塑胶外壳
  • 电源、充电器外壳
  • 工具箱
  • 工控盒
  • 导轨电器模块盒
长度: TO
宽度: TO
高度: TO

联系我们

全国咨询热线:0755-82579948​

邮箱:liqing70@263.net
地址:深圳市布吉镇秀峰工业区A1栋,A2栋

  • HF-A-101       29*109 *(L)任意
  • A-101-1.jpg
  • A-101-2.jpg
  • A-101-3.jpg
  • A-101.jpg

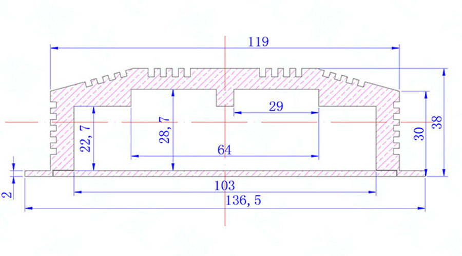
HF-A-101 29*109 *(L)任意

类别:铝型材外壳

简介:广泛用于仪器仪表电子行业,电力通信,地铁工程,医疗设备,公共广播系统。如做屏蔽盒、车载电源外壳、视频服务器、无线平台、GPS/GPRS壳、逆变器外壳、搞干扰器外壳、CPU散热器壳等。可根据客户要求开模定制。

全国咨询服务热线:0755-82579948​

立即采购在线咨询

  • 产品介绍
简要说明:广泛用于仪器仪表电子行业,电力通信,地铁工程,医疗设备,公共广播系统。如做屏蔽盒、车载电源外壳、视频服务器、无线平台、GPS/GPRS壳、逆变器外壳、搞干扰器外壳、CPU散热器壳等。可根据客户要求开模定制。
 产品参数:
 【产品型号】:HF-A-101
 【产吕名称】:铝型材壳体
 【产品材料】:6063挤压铝型材
 【产品规格】:29(H) *109(W) *(L)任意
 【表面处理】:可做一次喷沙氧化、拉丝氧化、二次氧化及喷涂处理
 【产品颜色】:可根据客户要求任意定制。

 【产品加工】:可根据客户要求进行局部加工。




订购:HF-A-101 29*109 *(L)任意

  • 联系人
  • 手机号码
  • 电子邮件
  • 验证码