欢迎访问,深圳市鸿发顺达壳体有限公司官方网站!

官方微博官方微信鸿发顺达官方微信在线留言

深圳市鸿发顺达壳体有限公司

鸿发顺达

全国咨询服务热线::0755-82579948​

各种通用塑胶外壳

您是都在搜: 铝型材外壳

按型号搜索:

搜索说明:请输入尺寸范围,如长度在20~30mm之间,只能输入整数数字。

按分类搜索:
选择分类
  • 铝型材外壳
  • 铝制机箱(经济型)
  • 铝制机箱(豪侈型)
  • 塑胶面框钣金铝制机箱
  • 压铸铝信号放大器外壳
  • 压铸铝铝防水盒外壳
  • 钣金机箱
  • CNC机加工铝铣件产品
  • 塑胶防水盒
  • 塑胶台式仪表机箱
  • 塑胶台式外壳
  • 门禁、读卡外壳
  • 网络外壳
  • 手持、便携式外壳
  • 各种通用塑胶外壳
  • 电源、充电器外壳
  • 工具箱
  • 工控盒
  • 导轨电器模块盒
长度: TO
宽度: TO
高度: TO

联系我们

全国咨询热线:0755-82579948​

邮箱:liqing70@263.net
地址:深圳市布吉镇秀峰工业区A1栋,A2栋

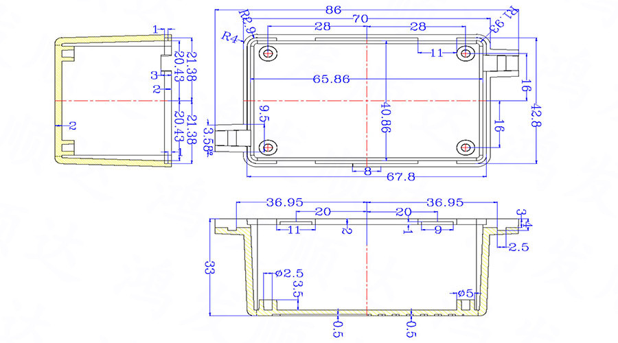
  • HF-N-80  70*45*35{mm}
  • N-80 (2).jpg
  • N-80 (3).jpg
  • N-80 (4).jpg
  • N-80 (5).jpg

HF-N-80 70*45*35{mm}

类别:各种通用塑胶外壳

简介:适用于室内、外电气、通信、消防设施、钢铁冶炼、石油化工、电子、电力、铁路、建筑工地、矿山、采矿场、机场、宾馆、大型工厂、船舶、码头设备、污水处理设施、环境设施等仪器仪表上使用。均采用全新ABS/PC原材料生产,不加入任何再生料。可根据客户要求重新开模具。

全国咨询服务热线:0755-82579948​

立即采购在线咨询

  • 产品介绍
简要说明:适用于室内、外电气、通信、消防设施、钢铁冶炼、石油化工、电子、电力、铁路、建筑工地、矿山、采矿场、机场、宾馆、大型工厂、船舶、码头设备、污水处理设施、环境设施等仪器仪表上使用。均采用全新ABS/PC原材料生产,不加入任何再生料。可根据客户要求重新开模具。
产品参数:
  【产品型号】:HF-N-80
  【产品名称】:各种通用塑胶外壳
  【产品材料】:ABS塑料
  【产品规格】:70*45*35{mm}
  【产品颜色】:可根据客户要求任意定制。
  【产品加工】:可根据客户要求进行局部加工。

  【表面处理】:可做喷油、喷涂等处理。



订购:HF-N-80 70*45*35{mm}

  • 联系人
  • 手机号码
  • 电子邮件
  • 验证码